Celonerezové kalové čerpadlo SIGMONA SVN-10M50 230V bez plováku
Celonerezové ponorné kalové čerpadlo.
| Výrobce | STAIRS INDUSTRIAL CO. LTD. |
| Kód výrobce | 02-405331 |
| Katalogové číslo | PRP-SI-2717 |
| EAN | 9999999999999 |
| Hmotnost položky | 18,5 kg |
| Záruka | 24 měsíců |
| Záruka IČO | 12 měsíců |
16790,00 Kč (vč DPH)
Parametry produktu
| Výtlak (m) | 13,00 |
| Průtok (l/s) | 6,66 |
| Jmenovité napětí (V) | 230 |
| Výkon (kW) | 0,75 |
| Max. hloubka ponoru (m) | 10,00 |
| Délka kabelu (m) | 10,0 |
| Řezací zařízení | ne |
| Výrobce | Sigmona |
Jednofázová celonerezová ponorná kalová čerpadla řady SVN-10M50 najdou své uplatnění zejména v chemických provozech, v náročných provozních podmínkách, ale i všude tam, kde uživatel očekává mimořádnou odolnost. Jsou vhodná pro čerpání agresivních odpadních vod, kalů a chemikálií, pro odčerpávání nádrží a záchytných jímek v chemickém, farmaceutickém a potravinářském průmyslu.
Lze s nimi čerpat médium v rozsahu pH 4 až 11, lze tedy čerpat jak zásaditá tak kyselá média, jejichž hustota nesmí přesáhnout 1150 kg/m3.
Čerpadlo je vybaveno Vortexovým oběžným kolem s průchodností měkkých kusových částic až 35 mm. Čerpadlo řady SVN je kompletně vyrobeno z nerezové oceli AISI 316 (EN 1.4401, ČSN 17.346). Všechny těsnící prvky čerpadla (kroužky, vývodka atd.) jsou vyrobeny z Vitonové pryže, která zvyšuje životnost čerpadla při čerpání agresivních médií.
Čerpadla řady SVN jsou vybavena dvojitou mechanickou ucpávkou umístěnou z důvodu chlazení a mazání v olejové komoře. Jako doplňková ochrana mechanické ucpávky proti nečistotám slouží přídavné gufero, které je vyrobeno opět z Vitonové pryže.
Jednofázová čerpadla jsou vybavena automatickou tepelnou ochranou. Pokud dojde z nějakého důvodu k přehřátí motoru, ochrana automaticky čerpadlo vypne. Čas potřebný na vychladnutí motoru je cca 15-20 min., po této době dojde automaticky k opětovnému sepnutí čerpadla.
Důležité - dojde-li k aktivaci automatické tepelné ochrany, je nezbytně nutné zjistit příčinu přehřátí motoru.
Čerpadla SVN-10M50 jsou adekvátní náhradou za čerpadla HCP SF-21AU.
Lze s nimi čerpat médium v rozsahu pH 4 až 11, lze tedy čerpat jak zásaditá tak kyselá média, jejichž hustota nesmí přesáhnout 1150 kg/m3.
Čerpadlo je vybaveno Vortexovým oběžným kolem s průchodností měkkých kusových částic až 35 mm. Čerpadlo řady SVN je kompletně vyrobeno z nerezové oceli AISI 316 (EN 1.4401, ČSN 17.346). Všechny těsnící prvky čerpadla (kroužky, vývodka atd.) jsou vyrobeny z Vitonové pryže, která zvyšuje životnost čerpadla při čerpání agresivních médií.
Čerpadla řady SVN jsou vybavena dvojitou mechanickou ucpávkou umístěnou z důvodu chlazení a mazání v olejové komoře. Jako doplňková ochrana mechanické ucpávky proti nečistotám slouží přídavné gufero, které je vyrobeno opět z Vitonové pryže.
Jednofázová čerpadla jsou vybavena automatickou tepelnou ochranou. Pokud dojde z nějakého důvodu k přehřátí motoru, ochrana automaticky čerpadlo vypne. Čas potřebný na vychladnutí motoru je cca 15-20 min., po této době dojde automaticky k opětovnému sepnutí čerpadla.
Důležité - dojde-li k aktivaci automatické tepelné ochrany, je nezbytně nutné zjistit příčinu přehřátí motoru.
Čerpadla SVN-10M50 jsou adekvátní náhradou za čerpadla HCP SF-21AU.
Provozní limity :
- Hloubka ponoru pod vodní hladinu je 10 m.
- Maximální teplota čerpané kapaliny je +40°C.
- Průchodnost měkkých částic do velikosti maximálně 35 mm.
- Čerpadla jsou určena pro nepřetržitý provoz S1.
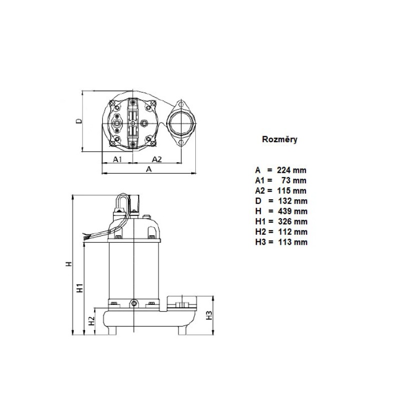
Parametry položky :
- Maximální výtlak (m) : 13,0
- Optimální výtlak (m) : 8,0
- Maximální průtok (l/s) : 6,66
- Optimální průtok (l/s) : 3,33
- Jmenovité napětí (V) : 1x230
- Jmenovitý proud (A) : 5,2
- Výkon (kW) : 0,75
- Maximální hloubka ponoru (m) : 10
- Délka kabelu (m) : 10
- Plovák : ne
- Přípojka výtlaku : 2“ (vnitřní závit)
- Materiálové provedení : nerezová ocel AISI 316
- Výrobce : STAIRS INDUSTRIAL CO. LTD.
Dokumenty ke stažení
Související produkty
SPOJKA STORZ C52 S VNĚJŠÍM ZÁVITEM 2“
Hadicová spojka pro spojení hadice se spojkou STORZ C52 s vnějším závitem 2“.
163,00 Kč
vč DPH
| Materiálové provedení | hliník |
| Min/max. pracovní teplota | -20°C/+90°C |
| Pracovní tlak (bar) | 6 |
